Роз'єм меблів для закріплення меблів для дивана ліжка


Код: 10423136417
565 грн
Ціна вказана з доставкою в Україну
Товар є в наявності
ЯК ЕКОНОМИТИ НА ДОСТАВКЕ?
Замовляйте велику кількість товарів у цього продавця
Інформація
  • Час доставки: 7-10 днів
  • Стан товару: новий
  • Доступна кількість: 37

Покупая «Разъем мебели для уплотнения дивана», вы можете быть уверены, что данный товар из каталога «Мебельные соединители» вы получите в срок 5-7 дней после оплаты. Товар будет доставлен из Европы, проверен на целостность, иметь европейское качество.

Назва елемента:

роз'єм, роз'єм ліжка диванів

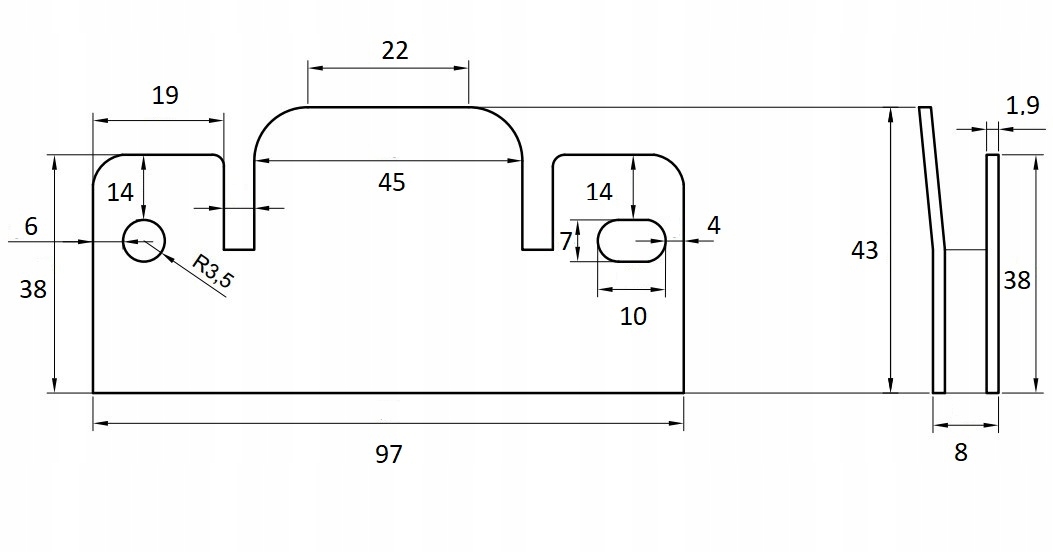
97x43x11x1x1.9 мм

(модель: s)

лише для нас для PLN 16.00

Ви отримаєте 4 міцні з'єднувачі

хороше якості !!!

Ціна: PLN 16.00 (за 1 набір);

Купівля 1 Набір. Ви отримаєте 4 гачки;

Опис: Роз'єм дозволяє підключити два меблеві елементи, просто вкладаючи одну частину в іншу. Кріплення використовується там, де вам потрібна можливість швидкого складання та розбирання. Розміри кріплення 97x43x11x1.9. Покриття цинку білою пристрастю. для одного з'єднання, наприклад Дві частини меблів, в середньому 1 набір використовується

Розміри: