Переповнений клапан 3/8 45L тиск 250 від Przy. Спинка


Код: 16734441433
3034 грн
Ціна вказана з доставкою в Україну
Товар є в наявності
ЯК ЕКОНОМИТИ НА ДОСТАВКЕ?
Замовляйте велику кількість товарів у цього продавця
Інформація
  • Час доставки: 7-10 днів
  • Стан товару: новий
  • Доступна кількість: 50

Приобретая «Переполненный клапан 3/8 45L давление 250 от Przył. НАЗАД», вы можете быть уверены, что данное изделие из каталога «Гидравлическая система» вы получите через 5-7 дней после оплаты. Товар будет доставлен из Европы, проверен на целостность, иметь европейское качество.

vmp 3/8 "гідравлічний клапан з регулюванням тиску 50 - 220 бар у наборі з воротами з заднім з'єднанням 0 - 250 бар

[8059]

У комплект входить:

  • Гідравлічний клапан притулку 3/8 45L 50 - 220bar [0340]
  • Гідравлічний вимір Датчик тиску - З заднім з'єднанням 0 - 250 бар [1839]
  • nypel [1426]
  • Манометричне з'єднання [1403]

Застосування:

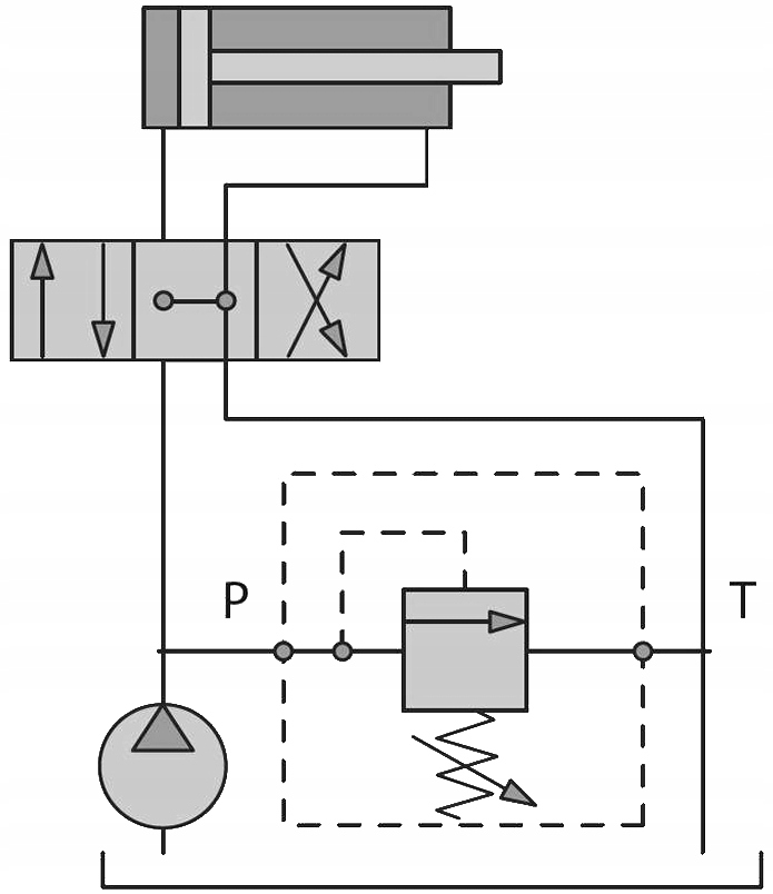
Виміщення тиску за допомогою клапана переповнення ідеально підходить для гідравлічних машин та пристроїв. може використовуватися в сільському господарстві, фруктах, лісовому господарстві чи будівництві.

(огляд - залежно від доставки, манометр може енергійно енергійно, але його функціональність ідентична опису.)

vmp 3/8 "Гідравлічний клапан з регулюванням тиску

[0340]

  • Завдання клапана переповнення (безпека) є Щоб обмежити максимальний тиск у гідравлічній системі фіксованим значенням. безпосередньо контролюється, це гарантує швидку роботу Пристрої.

Технічна специфікація:

Максимальний потік: 45 л/хв.,

Внутрішні потоки в корпусі: Порт з'єднання 3/8 " ,

  • l [мм]: 72
  • l1 [мм]: 134
  • l2 [мм]: 15
  • l3 [мм]: 26
  • l4 [мм]: 49.5
  • l5 [мм]: 8.5
  • l6 [мм]: 26 < /li>
  • φ g [мм]: 6.5
  • H [мм]: 40
  • s [мм]: 40

Попередній тиск: 90 бар

Регулювання тиску передачі: від 50 до 220 бар

Допустимий тиск: тиск Макс.

Допустима температура масла: -15'C до +80'c,

Тип масла: Гідравлічне масло на основі мінералу нафти,

Матеріал: Корпус - оцинкована оцинкована стал

ущільнювальний матеріал: Buna n

Підключення:

p - лінія електропередачі, на якій слід контролювати тиск. p>

датчик тиску гліцерину 63 мм

з годинниковим з'єднанням на звороті годинника

діапазон вимірювання тиску: 0-250 бар

[1839]

Мандери, призначені для вимірювання тиску рідини в закритих системах для вимірювання газу та рідин, які не реагують на мідні ноги. > Тиск тиску всередині наповненого гліцерином, завдяки якому вимірювання є точним, незважаючи на потрясіння та вібрації. Він має пробку для вирівнювання тиску всередині тиску з атмосферним тиском. .

Технічні дані:

  • Діапазон вимірювання тиску: 0-250 бар
  • Годинник зовнішнього діаметра: 63 мм
  • Товщина годинника: 32 мм ^ /Ul>

    Матеріал:

    Сталевий корпус, видошукач скла