Перемикач екскаватора ланцюга


Код: 14909895751
2511 грн
Ціна вказана з доставкою в Україну
Товар є в наявності
ЯК ЕКОНОМИТИ НА ДОСТАВКЕ?
Замовляйте велику кількість товарів у цього продавця
Інформація
  • Час доставки: 7-10 днів
  • Стан товару: новий
  • Доступна кількість: 2

Рух з електронікою та кабелем

Екскаватор ланцюга

nr- 106

присвячений брендам:

  • cedrus
  • lumag
  • Улюблений
  • Стилер
  • kryspol
  • Master Cut
  • Hillvert
  • Янсен
  • Бергер Краус
  • важливий

    Перед покупкою порівняйте деталі із заданими фотографіями та параметрами, оскільки

    У вищезазначених брендах можуть бути структурні зміни залежно від моделі та серійного номера.

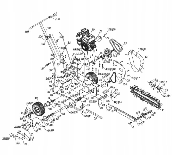
    У нас є ряд різних запасних частин для ланцюгових екскаваторів, на сторінці ми надаємо складний креслення ланцюгового екскаватора з нумерацією деталей, які можна задати за допомогою Allegro "питання для продавця", надаючи частину, бренд, модель, розмірність.

    Ми не надаємо інформацію на телефоні та пропонує лише електронною поштою.

    деталі, що несуть сліди використання, не підлягають поверненню, будь ласка, здійснюйте продумані покупки.

    Ми радимо вам перевірити наш асортимент у нашому магазині Allegro.

    привітання до групи Integro.

    Малюнок компонентів